Druckluftmotor: aus nichts als Luft wird kinetische Bewegungsenergie

Druckluftmotor: aus nichts als Luft wird kinetische Bewegungsenergie.

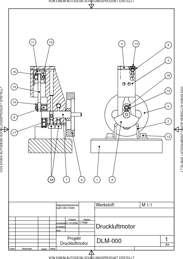
Am Anfang nur eine einfache Übungsvorlage aus dem Internet, inzwischen eine detaillierte Baugruppe, die nur noch darauf wartet in der Fertigung realisiert zu werden.

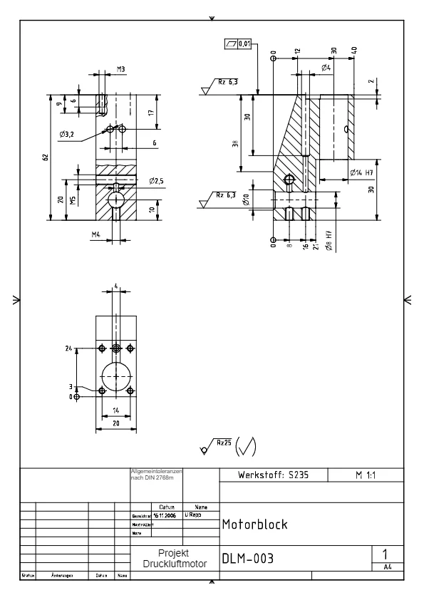
Der Anfang dieser Geschichte findet sich in der Pandemie während der ersten Welle. Reto A., Ausbildner der Konstrukteure, sucht nach einfachen CAD-Übungen für die Lernenden des 1. Lehrjahr. Fündig wird er im Internet wo sich Zeichnungen für einen Druckluftmotor finden lassen.

Diese Zeichnungen eignen sich ideal um 3D Modelle davon ableiten zu können. Der Druckluftmotor ist inzwischen fest im Ausbildungsprogramm drin. Somit finden sich auf dem Verwaltungsprogramm unseres CADs schon einige verschiede Versionen des Druckluftmotors von jeweils verschiedenen Lernenden.

Auch ich wurde vor knapp zwei Jahren damit beauftragt und ich durfte den Motor im CAD aufzeichnen. Dies war zu dem Zeitpunkt für mich eine lehrreiche Aufgabe und ich konnte den Auftrag erfolgreich erledigen.

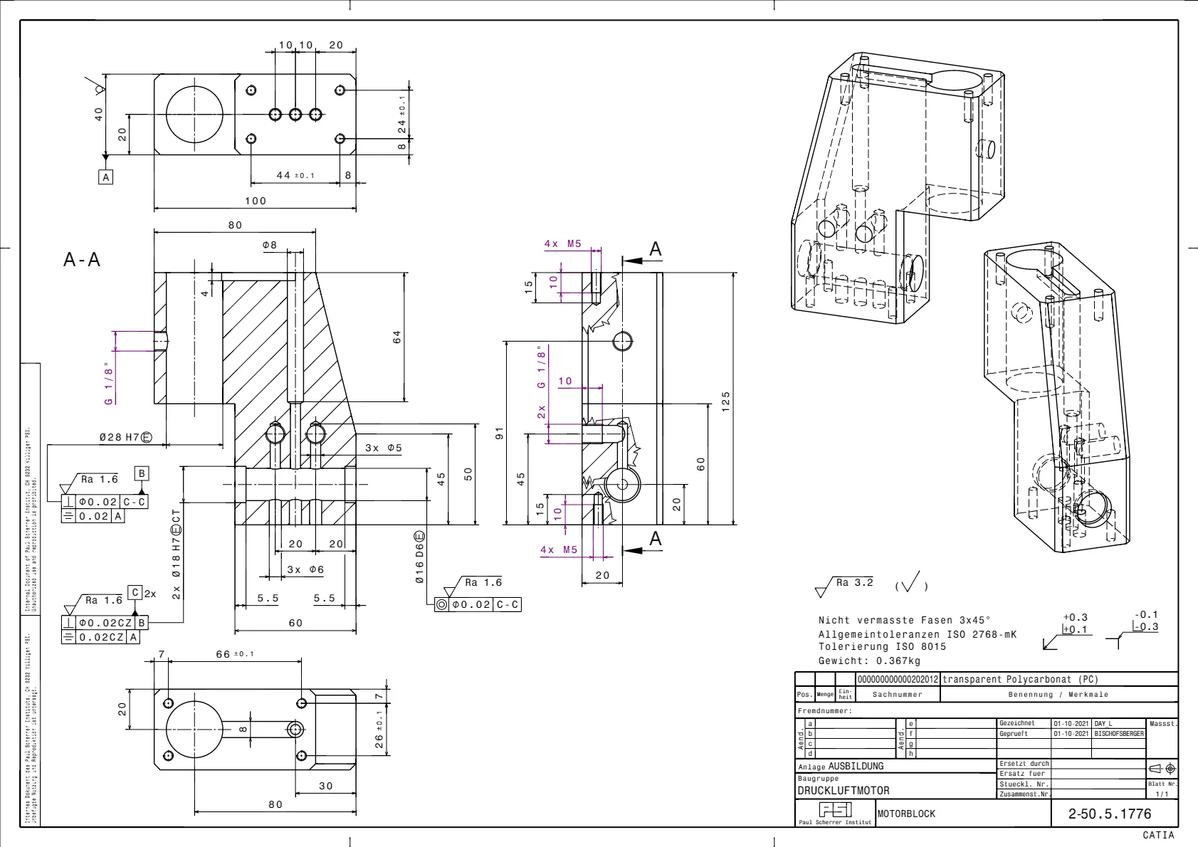
Im Sommer 2021 erteilt mir dann Reto A. erneut den Auftrag mich mit dem Druckluftmotor zu befassen. Doch dieses Mal ist das Ziel nicht mehr ein einfaches 3D Modell, das wäre für einen Lernender Ende 2. Lehrjahr etwas zu einfach, sondern fertigungsgerechte Zeichnungen. Die Vorlage aus dem Internet ist zwar einfach, was sie geeignet für die Ausbildung macht, jedoch nicht ganz funktionsgerecht. Ich wurde damit beauftragt den Druckluftmotor funktionsgerecht und fertigungstechnisch zu optimieren.

So sieht das 3D Modell nach der Verbesserung aus. Folgende Verbesserungen habe ich vorgenommen:

  • Den gebogenen Befestigungsbügel habe ich durch ein 3D Druckteil ersetzt, weil wir Biegeteile intern nicht herstellen könnten.
  • Der Motorblock ist jetzt ein bisschen grösser und soll nun aus Acrylglas (Plexiglas) anstatt Stahl gefertigt werden, damit man die Kolbenbewegung sehen kann.
  • Die Welle in der Mitte soll nun durch Kunststoffgleitlager gelagert werden, dadurch soll einen ruhigeren, gleichmässigeren Lauf der Welle erreicht werden
  • Der Luftauslass ist neuerdings auf der Seite und nicht mehr innerhalb der Welle selbst. Ausserdem habe ich noch Schalldämpfer hinzugefügt.
  • Den ganzen Motor habe ich 2x grösser gemacht als die Vorlage, damit man auch etwas sehen kann.
  • Sonst gab es noch ein paar kleine dimensionale Änderungen und ich habe den Bauteilen spezifische Materialien zugeordnet.

Nach diesen Änderungen im CAD Modell habe ich darauf die Zeichnungen abgeleitet und mit Reto A. sowie dem Ausbildner der Polymechaniker besprochen und angepasst. Der Motor soll dann nächsten Sommer von einem angehenden Konstrukteur im Werkstattpraktikum gefertigt werden.

Fertigungsgerechte Zeichnungen:

Abschliessend war das ein sehr interessantes Projekt und ich habe viel über mechanische Eigenschaften von verschiedenen Materialien gelernt sowie über die Möglichkeiten der konventionellen Fertigung.

Lior D., Konstrukteur EFZ, 3. Lehrjahr